Produk

40.5kv 630a -4000 Pemutus litar vakum
2. Mekanisme operasi: Mekanisme Operasi Modular
3. kaedah pemasangan: pemasangan tetap
4. Kabinet yang serasi: Serasi dengan siri XGN atau suis 40.5kV lain yang dipasang oleh kimpalan
5. Pematuhan produk dengan piawaian: mematuhi piawaian gb/t 1984-2014 dan gb/t 11022-2011
6. Kelebihan Produk: Ciri -ciri E 2- C 2- M2 Prestasi, Penyelenggaraan Mudah, Kekonduksian Tinggi, Kesesuaian yang Kuat, dan Pelbagai Aplikasi
The 40 . 5kv 630a -4000 Pemutus litar vakum adalah dari siri mekanisme modular VTZ syarikat kami . ia telah menjalani pengoptimuman dan penambahbaikan yang luas dalam sistem yang diperbaiki untuk iSto yang diperuntukkan untuk iSto yang diperuntukkan untuk iSto yang diperbaiki untuk iSto yang diperbaiki untuk iStoStare untuk iStoStare untuk iStoStare untuk iStoStare untuk iSS yang diperbaiki 40.5kV dan kekerapan AC 50Hz.
Spesifikasi produk
Spesifikasi SHEET
|
Tidak . |
Nama |
Unit |
Data |
|
1 |
Voltan dinilai |
kv |
40.5 |
|
2 |
Kekerapan yang dinilai |
Hz |
50 |
|
3 |
DinilaiCurrent |
A |
630/1250/1600/2000/2500/3150/4000 |
|
4 |
DinilaiPower FpermintaanWIthstandVoltage |
kv |
95 |
|
5 |
DinilaiLightningImpulseWIthstandVoltage |
kv |
185 |
|
6 |
DinilaiShort-CIrcuitBReakingCurrent |
ka |
25/31.5/40 |
|
7 |
Dinilai Short-CIrcuitMakingCurrent (PEak) |
ka |
63/80/100 |
|
8 |
DinilaiWIthstandCurrent (PEak) |
ka |
63/80/100 |
|
9 |
DinilaiDurasiShort-CIrcuit |
s |
4 |
|
10 |
BeroperasiCycles diRAtedShort-CIrcuitBReakingCurrent |
Kali |
E2 |
|
11 |
MekanikalEndurance |
Kali |
10000 |
|
12 |
Operasi standardSkesamaan |
- |
O -0.3 s-co -180 s-co |
|
13 |
Dibenarkan Wear THickness ofCOntact |
mm |
Kurang daripada atau sama dengan 3 |
MekanikalCkehadiran
|
Tidak . |
Nama |
Unit |
Data |
|
1 |
Pelepasan antaraBergerak dan tetap COntact |
mm |
19±2 |
|
2 |
HubungiOvertravel |
mm |
4±1 |
|
3 |
PurataCkehilanganSpeed |
m/s |
0.8±0.2 |
|
4 |
PurataOpeningSpeed (AverageSpeedpembukaan pertamapada12mm) |
m/s |
1.7±0.3 |
|
5 |
DinilaiCOntact Tekanan |
N |
3100±200N (25ka/31.5ka) 4800±300N(40ka) |
|
6 |
Masa tutup |
MS |
30-70 |
|
7 |
Masa pembukaan |
MS |
20-50 |
|
8 |
HubungiBAUNCINGDurasi diCkehilanganOperation |
MS |
Kurang daripada atau sama dengan 3 |
|
9 |
No-sImultaneity dariPenutupan/Opening Operasidaripada 3-PHase |
MS |
Kurang daripada atau sama dengan 2 |
Kelebihan produk
The 40.5kv 630a -4000 Pemutus litar vakum menawarkan banyak kelebihan:
Prestasi pemutus
Memenuhi e 2- c 2- m2 standard .
Penyelenggaraan yang mudah
Reka bentuk mekanisme modular membolehkan penggantian mudah penutupan dan pembukaan gegelung tanpa membongkar komponen lain . tiada ujian atau pelarasan diperlukan selepas penggantian, membolehkan pengguna melakukan penggantian secara bebas dan memudahkan penyelenggaraan berikutnya .
Kekonduksian yang tinggi
Struktur silinder terisolasi yang dioptimumkan dan sambungan fleksibel berprestasi tinggi yang tertanam kutub tertanam mengurangkan rintangan hubungan, memastikan bekalan kuasa yang boleh dipercayai .
Kesesuaian yang kuat
Siri pemutus litar ini boleh dilengkapi dengan pembukaan interlocks dan interlocks aci utama, dan boleh disesuaikan dengan reka bentuk interlock berdasarkan keperluan pengguna . trak casis khas juga boleh direka atau diubahsuai untuk memenuhi keperluan kabinet tertentu .
Pelbagai penggunaan yang luas
Produk ini direka untuk menahan persekitaran yang keras, termasuk suhu serendah -25 darjah, dan memenuhi keperluan operasi di ketinggian sehingga 2000 meter .
Aplikasi produk
40.5kv 630a -4000 Pemutus litar vakum digunakan secara meluas dalam pelbagai aplikasi, termasuk:
Bidang Tenaga Baru: Seperti Sistem Kuasa Photovoltaic dan Angin .
01
Bidang Perindustrian: termasuk bahan kimia, keluli, petroleum, arang batu, dan industri lain .
02
Sistem Grid Kuasa
03
Peningkatan Projek Produk Pengguna
04
Infrastruktur kuasa
05
Lukisan garis besar produk

Rajah 1: vtz -40.5 k pemutus litar tiang tertanam (arus dinilai kurang daripada atau sama dengan 2500a)
|
Model |
Jarak antara fasa p |
Jarak lubang tetap l1 |
Box lebar L2 |
Catatan |
|
Vtz -40.5 kp 300-1231 |
300 |
750 |
850 |
|
|
Vtz -40.5 kp 400-1231 |
400 |
950 |
1050 |
|
|
Vtz -40.5 kp 440-1231 |
440 |
1030 |
1130 |
|
|
Vtz -40.5 kp 460-1231 |
460 |
1070 |
1170 |
|
|
Vtz -40.5 kp 480-1231 |
480 |
1110 |
1210 |
Catatan:
1. 1231 Dalam nombor model mewakili arus 1250A yang diberi nilai, nilai pecah semasa 31.5KA;
2. Apabila jarak antara fasa adalah 300, adalah perlu untuk meningkatkan partition penebat; Partition penebat disyorkan untuk datang dengan kabinet;
3. Apabila digunakan di kawasan ketinggian yang tinggi, jarak udara perlu diperbetulkan mengikut keperluan sebenar .

Rajah 2: vtz -40.5 k pemutus litar tiang tertanam (arus dinilai ialah 3150a dan 4000a)
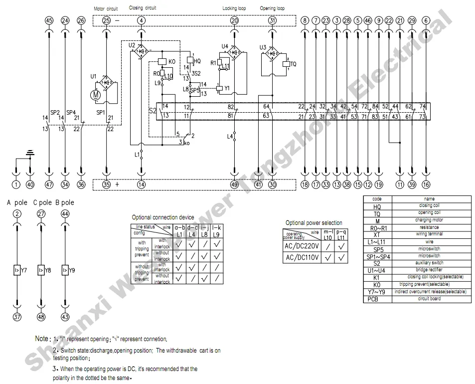
Rajah pendawaian sekunder

Cool tags: 40.5kv 630a -4000 Pemutus litar vakum, China 40.5kv 630a -4000 pengeluar pemutus litar vakum, pembekal, kilang
-
Pemutus Litar Elektronikmaklumat lanjut> -
Alat Suis boleh ditarik balik Voltan Rendah GCSmaklumat lanjut> -
Kabinet Pengagihan Voltan Rendah AC GGDmaklumat lanjut> -
Pemutus Litar Magnet Termamaklumat lanjut> -
Alat Suis boleh ditarik balik Voltan Rendah MNSmaklumat lanjut> -
Penebat 12kVmaklumat lanjut>







