Produk
VTZ-12 Pemutus Litar Vakum
2. Mekanisme Operasi: Mekanisme operasi modular.
3. Kaedah Pemasangan: Kereta tangan yang dipasang di tengah atau kabinet tetap.
4. Kabinet Serasi: Serasi dengan suis KYN28-12, kabinet tetap XGN-12, unit utama gelang siri HXGN-12.
5. Pematuhan Produk dengan Piawaian: GB/T1984-2014, GB/T11022-2011.
6. Kelebihan Produk: Prestasi E2-C2-M2, penyelenggaraan yang mudah, prestasi kekonduksian tinggi, julat aplikasi yang luas dan menyokong penyesuaian pintar.
Pemutus litar vakum VTZ-12 (model khas Tongzhong Electrical Co., Ltd.) ialah alat suis dalaman untuk voltan terkadar 12kV, AC 50/60Hz. Ia menggunakan mekanisme operasi modular dan sesuai untuk pelbagai perusahaan perindustrian dan perlombongan, serta peralatan grid kuasa. Ia boleh digunakan sebagai unit kereta tangan untuk digunakan dengan alat suis KYN28A-12, atau sebagai unit tetap dengan interlock mekanikal yang berkaitan, menjadikannya sesuai untuk XGN2 dan kabinet tetap lain.
Spesifikasi Produk
Spesifikasi Sheet
|
Tidak. |
Nama |
Unit |
Data |
|
1 |
Voltan Ternilai |
kV |
12 |
|
2 |
Kekerapan Dinilai |
Hz |
50/60 |
|
3 |
DinilaiCmendesak |
A |
630/1250/1600/2000/2500/3150/4000/5000 |
|
4 |
DinilaiPhutang FrequencyWithstandVoltage |
kV |
48(Merentasi Jurang Hubungan) / 42 (Ke Tanah) |
|
5 |
DinilaiLkilatInadiWithstandVoltage |
kV |
75 |
|
6 |
DinilaiSHort-CircuitBreakingCmendesak |
Ka |
25/31.5/40/50 |
|
7 |
Dinilai SHort-CircuitMakingCsegera (Peak) |
Ka |
63/80/100/125 |
|
8 |
DinilaiWithstandCsegera (Peak) |
Ka |
63/80/100/125 |
|
9 |
DinilaiDpengambilan daripadaSHort-Circuit |
s |
4 |
|
10 |
BeroperasiCycles atRdimakanShort-CircuitBreakingCmendesak |
Kitaran |
E2 |
|
11 |
mekanikalEketahanan |
Masa |
30000 |
|
12 |
Operasi StandardSkesamaan |
- |
O-0.3s-CO-180s-CO |
|
13 |
dibenarkan WtelingaThickness daripadaContact |
mm |
Kurang daripada atau sama dengan 3 |
mekanikalCharacteristik
|
Tidak. |
Nama |
Unit |
Data |
|
1 |
Pembersihan antaraBergerak dan Tetap Contact |
Mm |
9±1 |
|
2 |
Kenalanterlebih perjalanan |
Mm |
3.5±0.5 |
|
3 |
PurataCkalahSkencing |
m/s |
0.7±0.2 |
|
4 |
PurataOtermenungSkencing (Arata-rataSkencingPembukaan Pertamadi6mm) |
m/s |
1.1±0.2 |
|
5 |
DinilaiContact Tekanan |
N |
2500±200N(25kA) 3100±200N(31.5kA) 4800±300N(40kA) 6000±500N(50kA) |
|
6 |
Masa Penutupan |
Ms |
30-70 |
|
7 |
Waktu Pembukaan |
Ms |
20-50 |
|
8 |
KenalanBaunsDpengambilan diCkalahOperasi |
ms |
Kurang daripada atau sama dengan 2 |
|
9 |
Tidak-Sketidaksamaan daripadapenutup/Otermenung operasidaripada 3-PHase |
Ms |
Kurang daripada atau sama dengan 2 |
Kelebihan Produk
VTZ-12 pemutus litar vakum mempunyai banyak kelebihan:
Prestasi pemutus litar:
E2-C2-M2
Penyelenggaraan yang mudah:
reka bentuk mekanisme modular membolehkan penggantian mudah gegelung penutup dan pembukaan tanpa memerlukan pembongkaran komponen lain. Ini menghapuskan keperluan untuk ujian atau pelarasan selepas penggantian, memastikan pengguna menggantikannya secara bebas, menjadikan penyelenggaraan seterusnya lebih mudah.
Prestasi kekonduksian tinggi:
produk ini mempunyai litar konduktif yang direka dengan baik yang memenuhi 1.1 kali ganda paras kenaikan suhu semasa yang dinilai.
Julat aplikasi yang luas:
siri produk mempunyai julat aplikasi yang luas, arus penarafan dari 630A hingga 5000A, dan arus putus penarafan dari 20kA hingga 50kA. Ia sesuai untuk semua persekitaran dalam ketinggian 4500 meter dan suhu operasi dari -40 darjah hingga 40 darjah .
Menyokong penyesuaian pintar:
a. Ia boleh menambah penyelesaian pemantauan suhu tanpa wayar dengan reka bentuk berkuasa sendiri untuk memastikan keselamatan dan operasi tanpa penyelenggaraan.
b. Ia mempunyai penyelesaian pemantauan ciri mekanikal untuk menyediakan pemantauan masa nyata data pengendalian pemutus litar untuk pengesanan awal dan penyelesaian masalah yang berpotensi.
c. Ia mempunyai penyelesaian kemasukan kabinet bermotor untuk membolehkan operasi jauh untuk memastikan keselamatan diri.
d. Penuaan komponen masa nyata boleh dikesan dengan ujian nyahcas separa.
Aplikasi Produk
Lukisan Rangka Produk

Rajah 1: Lukisan Dimensi Garis Besar Jenis Boleh Tarik

Rajah 2: Lukisan Dimensi Garis Besar Jenis Tetap (630-1600A)

Rajah 3: Lukisan Dimensi Garis Besar Jenis Tetap (2000-4000A)
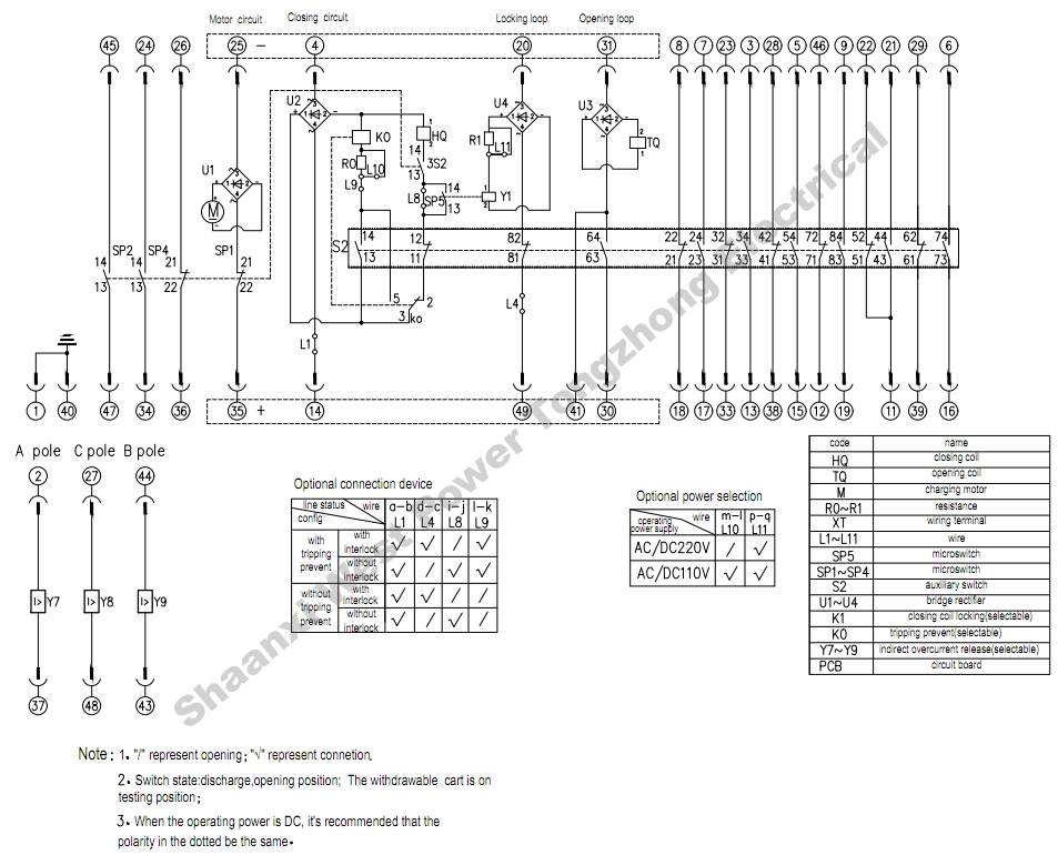
Gambarajah Pendawaian Sekunder

Rajah 4: Gambarajah Pendawaian Sekunder Jenis Boleh Tarik

Rajah 5: Gambarajah Pendawaian Sekunder Jenis Tetap
Cool tags: vtz-12 pemutus litar vakum, China vtz-12 pengeluar pemutus litar vakum, pembekal, kilang
-
VTZ/CS-12 Pemutus Litar Vakum dengan Mekanisme Pengendali...maklumat lanjut> -
VS1-12 Pemutus Litar Vakummaklumat lanjut> -
VTZ-24 Pemutus Litar Vakummaklumat lanjut> -
VS1-24 Pemutus Litar Vakummaklumat lanjut> -
VS1-12 Pemutus Litar Vakum dengan Mekanisme Pengendalian ...maklumat lanjut> -
VTZ-40.5K Pemutus Litar Vakummaklumat lanjut>








