Produk

Reka Bentuk Alternatif Siemens Inida 3AE Retrofit Contoh
2. Mekanisme Operasi: Mekanisme Operasi Modular.
3. Kaedah Pemasangan: Handcart dengan Mekanisme Operasi Pusat.
4. Kabinet yang berkenaan: Kes ini boleh digunakan untuk jenis Switchgear Siemens 3AE 1566-2 menggunakan mekanisme propulsi NXAIR di India.
5. Pematuhan Produk dengan Piawaian: GB/T 11022-2011.
6. Kelebihan Produk: E 2- C 2- M2 Prestasi, penyelenggaraan mudah, kekonduksian tinggi, dan penggantian sempurna.
Vtz -12 jenis voltan tinggi dalamanPemutus litar vakum(Model Khas untuk Tongzhong Electric) digunakan untuk suis dalaman dengan voltan yang diberi nilai 12kV, AC 50/60Hz, mengadopsi mekanisme penggerak modulasi, sesuai untuk pelbagai perindustrian dan perlombongan, peralatan grid kuasa, saling berkaitan, dengan penggunaan XGN2 dan sebagainya. Mekanisme siri VTZ juga boleh digunakan untuk transformasi suis lama banyak jenama antarabangsa; Kes ini digunakan untuk penggantian dan transformasi mekanisme pendorong NXAIR yang dipasang pada pemutus litar Siemens 3AE di India.

Spesifikasi produk
SpesifikasiSHEET
|
Tidak |
Nama |
Unit |
Data |
|
1 |
Voltan dinilai |
kv |
12 |
|
2 |
Kekerapan yang dinilai |
Hz |
50/60 |
|
3 |
DinilaiCurrent |
A |
630/1250/1600/2000/2500 |
|
4 |
DinilaiPowerFpermintaanWIthstandVoltage |
kv |
28 (di seluruh jurang kenalan) / 28 (ke tanah) |
|
5 |
DinilaiLightningImpulseWIthstandVoltage |
kv |
95 |
|
6 |
DinilaiShort-CIrcuitBReakingCurrent |
ka |
25/31.5/40 |
|
7 |
Dinilai Short-CIrcuitMakingCurrent (PEak) |
ka |
63/80/100 |
|
8 |
DinilaiWIthstandCurrent (PEak) |
ka |
63/80/100 |
|
9 |
DinilaiDurasiShort-CIrcuit |
s |
4 |
|
10 |
BeroperasiCycles diRAtedShort-CIrcuitBReakingCurrent |
Kitaran |
E2 |
|
11 |
MekanikalEndurance |
Kali |
10000 |
|
12 |
Operasi standardSkesamaan |
- |
O -0. 3S-CO -180 s-co |
|
13 |
Dibenarkan WtelingaTHickness ofCOntact |
mm |
Kurang daripada atau sama dengan 3 |
MekanikalCkehadiran
|
Tidak |
Nama |
Unit |
Data |
|
1 |
Pelepasan antaraBergerak dan tetap COntact |
mm |
9±1 |
|
2 |
HubungiOvertravel |
mm |
3.5±0.5 |
|
3 |
PurataCkehilanganSpeed |
m/s |
0.7±0.2 |
|
4 |
PurataOpeningSpeed (AverageSpeedpembukaan pertamapada6mm) |
m/s |
1.1±0.2 |
|
5 |
DinilaiCOntact Tekanan |
N |
2500±200N(25ka) 3100±200N(31.5ka) 4800±300N(40ka) |
|
6 |
Masa penutupan |
MS |
30-70 |
|
7 |
Masa pembukaan |
MS |
20-50 |
|
8 |
HubungiBAUNCINGDurasi diCkehilanganOperation |
MS |
Kurang daripada atau sama dengan 2 |
|
9 |
No-sImultaneity dariPenutupan/Opening Operasidaripada 3-PHase |
MS |
Kurang daripada atau sama dengan 2 |
Kelebihan produk
3ae SiemensPemutus litar vakumRetrofit mempunyai banyak kelebihan:
-
Prestasi pemutus litar
E2-C2-M2
-
Penyelenggaraan yang mudah
Reka bentuk mekanisme modular membolehkan penggantian gegelung penutupan dan pembukaan tanpa perlu membongkar komponen lain. Pengguna dengan mudah boleh menggantikan gegelung, dan tiada ujian atau pelarasan diperlukan selepas penggantian, menjadikan operasi dan penyelenggaraan masa depan lebih mudah.
-
Kekonduksian yang tinggi
Litar konduktif yang direka secara rasional memenuhi tahap kenaikan suhu sebanyak 1.1 kali arus yang dinilai.
-
Penggantian sempurna
Penyelesaian retrofit ini dengan sempurna menggantikan produk Siemens penuaan, menjadikan penyelenggaraan dan penggantian lebih mudah, menangani keperluan mendesak pelanggan elektrik.
Aplikasi produk
3ae SiemensPemutus litar vakumRetrofit mempunyai banyak aplikasi:
Loji kuasa
Bidang perindustrian
Sistem Grid Kuasa
Infrastruktur Kuasa
Lukisan garis besar produk

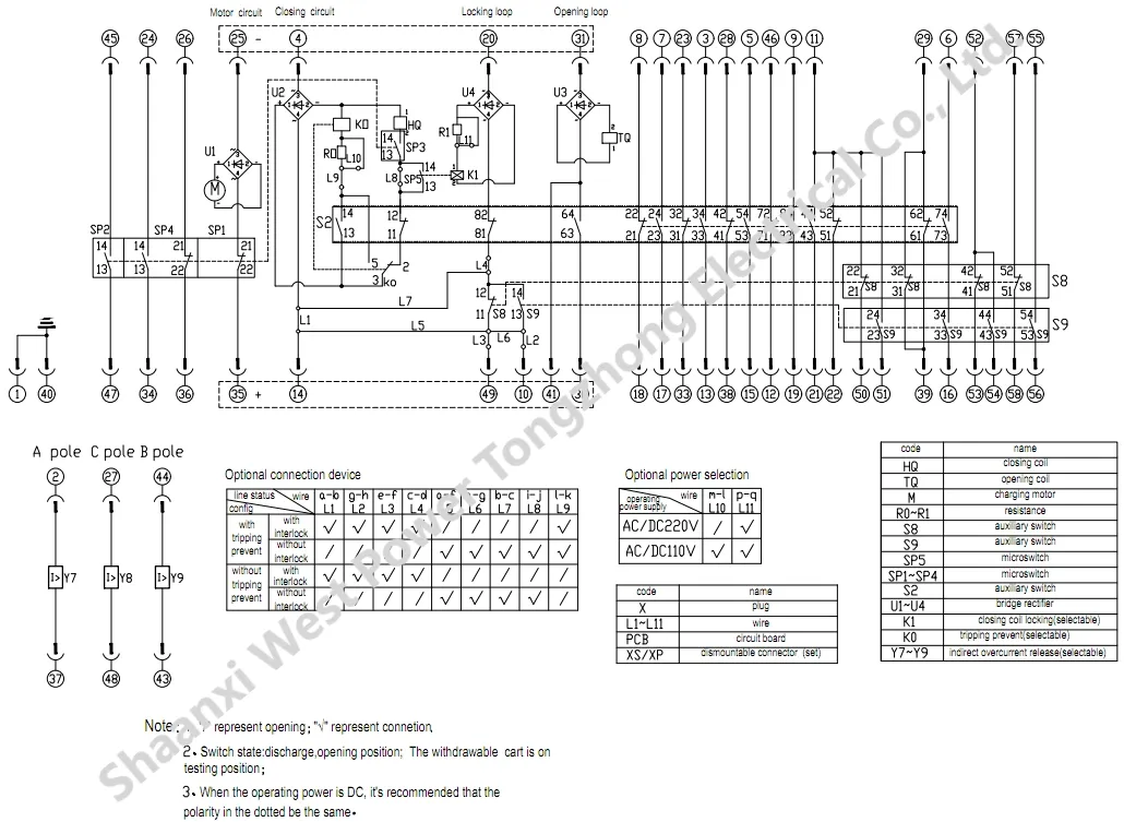
Rajah pendawaian sekunder

Cool tags: Reka Bentuk Alternatif Siemens Inida 3AE Retrofit Contoh, Reka Bentuk Alternatif China Siemens Inida 3AE Retrofit Contoh Pengilang, Pembekal, Kilang
-
Retrofit Pemutus Litar Siemensmaklumat lanjut> -
Reka Bentuk Alternatif Pemutus Litar ABBmaklumat lanjut> -
Xiamen Huadian Vep -40.maklumat lanjut> -
Reka Bentuk Alternatif Pemutus Litar Vakum Jenis Tetap ABBmaklumat lanjut> -
3AE Siemens Litar Pemutus Pengubahsuaianmaklumat lanjut> -
Tavrida ISM Retrofit Pemutus Litar Vakum Dalamanmaklumat lanjut>






